|
| |
Tesla Coil Installation for Public
Viewing: |
EMI, Gaseous Emission, Acoustic Noise |
And Discharge Control |
|
William C. Wysock |
Professional
Sound Systems
|
Note: Company name changed in 1986 to Tesla Technology
Research |
Ultra High
Voltage Division
|
2527 Treelane Avenue |
Monrovia, CA 91016 |
|
Abstract
The public display of Tesla Coils can result in concerns on potential safety issues,
including electromagnetic interference (EMI), gaseous emissions, and acoustic noise. The
potential concern becomes significant for large size apparatus. The corona discharge
output of these coils must be controlled to deliver deliberate arc paths, and ambient
lighting should be selected to provide visual contrast. These potential safety and
aesthetics issues can be addressed in an effective display. An installation example is
described.
Introduction
Public displays of Tesla Coils have been popular for many years and are commonly seen
at fairs, museums, schools, and special events. The popularity of Tesla Coil displays can
be anticipated to continue, and new displays will be developed. Concurrently, the public
has become increasingly concerned about safety issues in recent years, and has a more
general awareness of radiation hazards, electromagnetic interference, and air and chemical
pollution. Moreover, restrictions from governmental agencies such as OSHA and the FCC and
guidelines from technical groups such as ANSI and the IEEE have been, and will continue to
be, issued to protect the public from a wide variety of potential hazards.
An effective Tesla Coil display can alleviate potential safety concerns. Such displays
can be designed to control EMI, gaseous emissions, and acoustic noise levels, and at the
same time, can be constructed to limit ambient lighting and provide a controlled corona
discharge. An installation example will be used to describe such a Tesla Coil display.
Installation Example
The installation of a large Tesla Coil at the Museum of Science and Industry in Tampa,
Florida, will be described. The director of the museum selected a custom-built Tesla Coil
for this display. This installation was made at the main building of the museum, which is
not wholly enclosed from the outside. A decision was reached in the initial planning to
develop an artificial environment to provide uninterrupted operation of the coil with the
climatic variations in that locale. This particular display required daily operation on an
automatic basis. The overall display was required to blend with the "turn of the
century" motif used in the museum throughout their Electric Plaza section. The
installation also had to provide a very close-up view of the Tesla Coil operation from a
semicircular walkway.
The first step in developing this display was to devise a suitable floor
plan. Sufficient floor areas are required to accommodate the enclosure for the Tesla Coil
and its corona discharge path(s) as well as a viewing area for the public. In this case,
the overall enclosure size for the Tesla Coil is 20 feet high and 16 feet in diameter. The
overall plan and elevation views of this installation are shown in Figures 1 and 2,
respectively. This particular installation is stand-alone rather than built-in, however,
in both cases, the display enclosure itself can be treated as an integral component.
The actual geometry used in the enclosure is a dodecagonal cylinder. Six
of the sides are wood paneled, and the remaining six sides are glass. The wood paneling
reduces the ambient lighting as required for daytime viewing. An access door is located in
one of these panels, and primary and secondary interlock switches are provided to prevent
inadvertent operation during servicing periods. Details of the enclosure construction are
shown in Figures 3 and 4. Installation features include provision for EMI, gaseous
emission, and acoustic noise controls, which will be described in turn.
Tesla Coil Description
The Tesla Coil used in this display is a custom-built Model 9 unit,
fabricated by Professional Sound Systems - Ultra High Voltage Division [1]. This coil is
shown in Figure 5. This coil requires a main AC input of 12.5 kVA, 208 VAC, and single
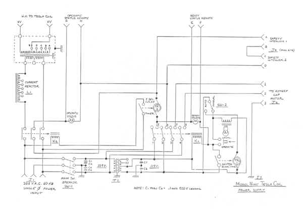
phase. The power supply, with external controls, is located in a separate room. An
internal component view of the power supply is shown in Figure 6. This Tesla Coil is
capable of corona discharges up to 15 feet in length. The full discharge capability is
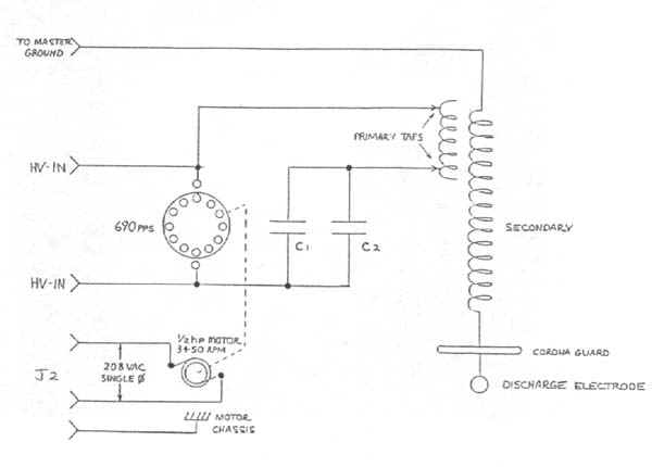
shown in Figure 7. This coil has a resonant frequency of approximately 85 kHz. Figures 8
and 9 are schematics of the Tesla Coil and power supply, respectively.
The secondary coil is 21 inches in diameter and uses PVC insulated #22 AWG stranded
copper wire closely wound on a phenolic tube 65 inches long. This coil has a corona guard
ring at the top of the winding to prevent damage to the secondary coil. The 4-inch
diameter hollow copper discharge electrode was selected by the customer in preference to
the standard 30-inch diameter aluminum toroid normally supplied with this coil.
The base unit shown in Figure 10 consists of the Tesla primary coil, rotary spark gap,
and oscillation capacitors. The spark gap has two stationary sets of electrodes and a
phenolic disk containing 12 equally spaced rotating electrodes. The rotary electrodes are
arbor driven by a 1/2-hp 3,450-rpm drive motor.
The primary coil, shown in Figure 11, consists of 4 1/2 turns of 1/2-inch diameter
copper tubing with a 30-inch outside diameter and 1-inch turn-to-turn spacing. Adjustable
brass clamps connect the coil with the #1 AWG wiring used in the primary circuit. The
placement of the base unit components was selected for this custom installation. The
secondary coil is attached to the base unit with three machine screws for ease in assembly
and disassembly. This Tesla Coil is designed to be suspended upside down from a ceiling
mount.
EMI Control
This installation uses a full Faraday shield to reduce EMI. The shield was fabricated
from 1-inch square stainless steel wire mesh carefully connected to provide an effective
shield. The mesh is spaced 1 inch from the inside of the quarter-inch safety glass panels
of the enclosure. This mesh is visible in Figures 3 and 4. The mesh is laminated into the
wood paneling forming the rest of the structure. The jam of the access door is lined with
copper sheeting which bonds the mesh in the wood paneling to the mesh laminated in the
access door. The mesh is bonded at all framework joints including the aluminum tee
channels used to join the glass panels, and copper strips overlap both the floor and
ceiling sections of the enclosure. The ceiling panel sections are fabricated from copper
sheeting lining the wood paneling. The entire display enclosure is bonded to earth ground
and to the steel building frame with #1 AWO stranded copper wire. All electrical circuits
interconnected between the power supply rack and the Tesla Coil base unit are run in solid
metal conduits, which are grounded. This installation provides effective EMI control.
Gaseous Emission Control
Tesla Coils of this size generate large quantities of ozone and oxides of nitrogen from
the high voltage discharge chemical reaction with the atmosphere. If left to accumulate,
these gases would be corrosive to the coil components and would aggravate the secondary
coil insulation breakdown. Moreover, human exposure to high concentrations of these gases
can result in headaches, nausea, and dizziness. An air filtration system has been
effectively used to vent these gases to the outside. The air filtration system contains a
dehumidifier, and has sufficient pump power to maintain a small positive pressure within
the enclosure.
Acoustic Noise Control
Tesla Coils of this size also generate a significant amount of acoustic noise from the
rotary spark gap and high voltage discharge. The acoustic noise level for the Model 9 coil
is 100 dBa SPL on an a-weight scale at a 12-foot range. This measurement was performed
with a 1/3-octave spectrum analyzer and the Model 9 coil operating in an open-air
environment, at full power. The design of this enclosure effectively attenuates the noise
generated by the coil by more than 20 dB, and permits close public viewing without
objectionable sound levels. Clear silicon sealant was carefully applied to all joints of
the enclosure during assembly. This sealing is mutually effective for both the air
filtration system and the control of acoustic noise.
Conclusions
Potential concerns of EMI, air, and noise pollution are present in the public display
of Tesla Coils. New federal restrictions and industry guidelines mandate strict emissions
standards. The use of a full Faraday shield enclosure provides effective control of EMI
radiation for a Tesla Coil public display. Properly selected enclosure materials reduce
acoustic noise. An air filtration system in the enclosure controls and removes
concentrations of gaseous emissions generated by Tesla Coils.
Acknowledgement
It is the author's privilege to thank Mr. William W. Ray, Director, at the time of
installation, of the Museum of Science and Industry in Tampa, Florida, for valuable
guidance in establishing the exhibit.
About The Author
William C. Wysock was born in Alta Dena, CA, June 1949. He
received an A.A. degree in Telecommunications in 1969. After many years of experience in
the communications field, he joined the Aerospace Corporation in 1978 and is presently
working in antenna development and RF systems research. Concurrently, he is president and
founder of Professional Sound Systems (formed High Voltage Division - 1975). He has
designed, manufactured and installed Tesla Coils and systems for universities and museums
over the past decade. He is a charter member of TCBA and has delivered lectures before
many organizations.
References
- Produced by W.C. Wysock. Professional Sound Systems -- Ultra High Voltage Division
(brochure). 2527 Treelane Ave. Monrovia, CA.
- Federal Communications Commission. Rules and Regulations, Vol. II. parts 2, 5,
15, 18. October 1982.
- "American National Standard Safety Levels with Respect to Human Exposure to Radio
Frequency Electromagnetic Fields, 300 KHz to 100 GHz," (ANSI C95.1-1982) IEEE, 1982.
- Nahman, Kanda, Larsen, and Crawford. IEEE Transactions on Instrumentation and
Measurement, Vol. IM-34, No. 4. December 1985.
- Lerner, Eric J., Editor. "The Drive to Regulate Electromagnetic Fields," IEEE
Spectrum. March 1984. p. 63-70.
- "Radio Frequency (RF) Sealers and Heaters: Potential Health Hazards and Their
Prevention." Joint N.I.O.S.H./O.S.H.A., Current Intelligence Bulletin 33. December 4,
1979.
- "Threshold Limit Values and Biological Indices for 1985-1986," American
Conference of Governmental Industrial Hygienists, ISBN: 0-936712-61-9, p. 86-91.
- Osepchuk, John M. Biological Effects of Electromagnetic Radiation. IEEE Press,
1983.
- Skomal, Edward N. Man-Made Radio Noise. Van Nostrand Reinhold Company, 1978.
c 1986, Int'l Tesla Society, Inc. 2-102
|